
|
序号 No. |
名称 | Part Name |
零件图号 Part No. |
每台数量 Q’ty |
规格标准 Standard Specification |
备注 Remark |
|||
| MC1136G401 | MC1140G401 | ||||||||
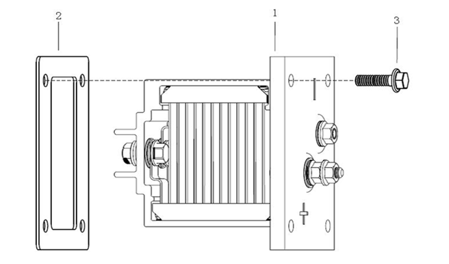
| 1 | 进气电加热器总成 | air electric heater assembly | 202V08601-0199 | 1 | 1 | ||||
| 2 | 垫片 | shim | 202V08901-0189 | 1 | 1 | ||||
| 3 | 六角法兰面螺栓 | hexagon flange bolts | MQ6-03216-8204 | 4 | 4 | Q186-M6X20-10.9-MAN183-B1 | |||